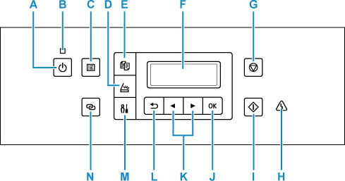
Bedienfeld

- A: Taste EIN (ON)
-
Mit dieser Taste wird das Gerät ein- und ausgeschaltet. Achten Sie vor dem Einschalten des Geräts darauf, dass die Vorlagenabdeckung geschlossen ist.
- B: EIN (ON)-Anzeige
- Blinkt beim Einschalten und leuchtet danach kontinuierlich.
- C: Taste MENÜ (MENU)
- Zeigt den Bildschirm Menü Kopieren (Copy menu) oder Scanmenü (Scan menu) an.
- D: Taste SCAN
- Damit wechselt der Drucker in den Scan-Modus.
- E: Taste KOPIE (COPY)
- Damit wechselt der Drucker in den Kopiermodus.
- F: LCD (Liquid Crystal Display, Flüssigkristallanzeige)
- Hier werden Meldungen, Menüelemente und der Betriebsstatus angezeigt.
- G: Taste Stopp (Stop)
- Bricht einen laufenden Druck-, Kopier- oder Scanauftrag ab.
- H: Anzeige Alarm
- Beim Auftreten eines Fehlers blinkt oder leuchtet diese Anzeige.
- I: Start-Taste
- Startet einen Kopier-, Scanvorgang usw.
- J: Taste OK
- Schließt die Auswahl eines Menüs oder einer Einstellung ab. Verwenden Sie diese Taste auch zur Fehlerbehebung oder zum Auswerfen von Dokumenten in den ADF (automatischer Dokumenteneinzug).
- K: Tasten
und 
-
Verwendet für die Auswahl eines Einstellungsobjekts. Diese Tasten werden auch zur Eingabe von Zeichen verwendet.
- L: Taste Zurück (Back)
- Kehrt zum vorherigen LCD-Bildschirm zurück.
- M: Taste Einrichten (Setup)
- Zeigt den Bildschirm Menü einrichten (Setup menu) an. Über dieses Menü können Sie die Funktionen zur Druckerwartung aufrufen und Druckereinstellungen ändern. Auch zur Auswahl des Eingabemodus verwendet.
- N: Taste Drahtlosverbindung (Wireless connect)
- Um Wireless Router-Informationen im Drucker direkt von einem Smartphone oder einem anderen derartigen Gerät aus festzulegen (ohne ein Verfahren am Router durchführen zu müssen), halten Sie diese Taste gedrückt.

